| État de disponibilité: | |
|---|---|
Type de mode ZHC
Condensateur en céramique ultra haute tension
Caractéristiques:
La tension nominale UR est supérieure à 10kV.DC.
Taille SAMLL et tension de résistance diélectrique élevée
Enrobé de résine époxy ignifuge.
Facteur de dissipation faible et excellentes caractéristiques de fréquence.
Ce type de condensateurs est principalement composé de CT81. Type de plomb radial CC81, HFC, type de moisissure ZHC et condensateurs de réseau à haute tension HPC.
Applications:
Alimentation à courant continu à haute tension, telles que les lasers, les appareils à rayons X, les nettoyeurs d'air, etc.
Utilisé dans les circuits de mise au point pour l'affichage des couleurs, ce qui rend la mise au point de l'image meilleure sur l'écran entier.
Utilisé dans les machines de revêtement électrostatique.
Spécification:
Plage de température | Condition de test | ||
-25 ℃ ~ + 85 ℃ | température | tension | fréquence |
20 ± 2 ℃ | 1,0 ± 0,2 V | 1 kHz ou 1 MHz | |
Tension nominale (UR): 10-40KV.DC
Capacité nominale: 1-10000pf
Tolérance: J: ± 5%; K ; ± 10%; M: ± 20%
Temp. Char.: Bn, B, R, D, E, F, SL, YL.
Facteur de dissipation: bn≤0,5% r, d≤0,2%
B, e, f≤2,5% (1 kHz)
SL, YL≤0,15% (1 MHz)
Résistance à l'isolation: 10000m Ω min.
Tension de test: 1.5ur
Type de mise au point HFC:
Ces types de condensateurs sont principalement composés de type HFC-11 et HFC-12.
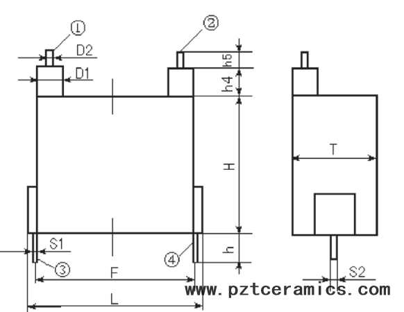
Dimension de l'apparence et du dessin schématique
N ° de code | L ± 1,0 | H ± 1,0 | F ± 1,0 | T ± 1,0 | D1 Φ ± 0,5 | D2 Φ ± 0,1 | H1 ± 0,5 | h2 ± 0,5 | h3 ± 0,5 | H4 ± 0,5 | H5 ± 0,5 | H6 ± 1,0 | S1 ± 0,1 | S2 ± 0,1 | d Φ ± 0,1
|
HFC-11-15KV-102K | 27.0 | 38.0 | 18.0 | 14.5 | 5.8 | 3.2 | 4.5 | 2.8 | 1.7 | 10.0 | 600 (480) | 9.0 | 1.0 | ||
HFC-12-15KV-102K | 34.0 | 27.0 | 31.0 | 18.0 | 6.4 | 2.35 | 4.5 | 8.0 | 3.3 | 0.7 | 1.75 |
| N ° de code | Dimension de l'apparence | Dessin schématique |
| HFC-11 | ![]() | ![]() |
| HFC-12 | ![]() | ![]() |
Contact:
E-mail: sales@pztceramics.com
violet.shan@pztceramics.com
Tél.: +86 131 6536 1320
Web: www.pztceramics.com
Condensateur en céramique ultra haute tension
Caractéristiques:
La tension nominale UR est supérieure à 10kV.DC.
Taille SAMLL et tension de résistance diélectrique élevée
Enrobé de résine époxy ignifuge.
Facteur de dissipation faible et excellentes caractéristiques de fréquence.
Ce type de condensateurs est principalement composé de CT81. Type de plomb radial CC81, HFC, type de moisissure ZHC et condensateurs de réseau à haute tension HPC.
Applications:
Alimentation à courant continu à haute tension, telles que les lasers, les appareils à rayons X, les nettoyeurs d'air, etc.
Utilisé dans les circuits de mise au point pour l'affichage des couleurs, ce qui rend la mise au point de l'image meilleure sur l'écran entier.
Utilisé dans les machines de revêtement électrostatique.
Spécification:
Plage de température | Condition de test | ||
-25 ℃ ~ + 85 ℃ | température | tension | fréquence |
20 ± 2 ℃ | 1,0 ± 0,2 V | 1 kHz ou 1 MHz | |
Tension nominale (UR): 10-40KV.DC
Capacité nominale: 1-10000pf
Tolérance: J: ± 5%; K ; ± 10%; M: ± 20%
Temp. Char.: Bn, B, R, D, E, F, SL, YL.
Facteur de dissipation: bn≤0,5% r, d≤0,2%
B, e, f≤2,5% (1 kHz)
SL, YL≤0,15% (1 MHz)
Résistance à l'isolation: 10000m Ω min.
Tension de test: 1.5ur
Type de mise au point HFC:
Ces types de condensateurs sont principalement composés de type HFC-11 et HFC-12.
Dimension de l'apparence et du dessin schématique
N ° de code | L ± 1,0 | H ± 1,0 | F ± 1,0 | T ± 1,0 | D1 Φ ± 0,5 | D2 Φ ± 0,1 | H1 ± 0,5 | h2 ± 0,5 | h3 ± 0,5 | H4 ± 0,5 | H5 ± 0,5 | H6 ± 1,0 | S1 ± 0,1 | S2 ± 0,1 | d Φ ± 0,1
|
HFC-11-15KV-102K | 27.0 | 38.0 | 18.0 | 14.5 | 5.8 | 3.2 | 4.5 | 2.8 | 1.7 | 10.0 | 600 (480) | 9.0 | 1.0 | ||
HFC-12-15KV-102K | 34.0 | 27.0 | 31.0 | 18.0 | 6.4 | 2.35 | 4.5 | 8.0 | 3.3 | 0.7 | 1.75 |
| N ° de code | Dimension de l'apparence | Dessin schématique |
| HFC-11 | ![]() | ![]() |
| HFC-12 | ![]() | ![]() |
Contact:
E-mail: sales@pztceramics.com
violet.shan@pztceramics.com
Tél.: +86 131 6536 1320
Web: www.pztceramics.com